首页 返回 新闻科普

HJ/ 44-1999 固定污染源排气中一氧化碳的测定 非色散红外吸收法

信息详细

HJ/ 44-1999 固定污染源排气中一氧化碳的测定 非色散红外吸收法

1 适用范围

1.1 本标准适用于固定污染源有组织排放的一氧化碳测定。

1.2 本标准检出限为20mg/m3,定量测定的浓度范围为60~15×104mg/m3

2 方法原理

一氧化碳(CO)对4.67μm、4.72μm二波长处的红外辐射具有选择性吸收,在一定波长范围内,吸收值与一氧化碳的浓度呈线性关系(遵循朗伯-比耳定律),根据吸收值确定样品中一氧化碳的浓度。

3 引用标准

      下列标准所包含的条文,通过在本标准中引用而构成为本标准的条文。

      GB 16157-1996 固定污染源排气中颗粒物测定和气态污染物采样方法

      GB 16297-1996 大气污染物综合排放标准

4 试剂与材料

      除非另有说明,分析时均使用符合国家标准的分析纯试剂。

4.1 CO标准气体:其浓度应达到仪器满量程的90%~100%,用来校正仪器。
4.2 变色硅胶。

4.3 玻璃棉。

5 仪器

5.1非色散红外气体分析仪

      抗干扰:对CO2H2O分别具有2 000:1 1 000:1或更好的抗干扰;精确度:士3%(满刻度);

      量程:0~50 000mg/m3

5.2 采样仪器

5.2.1 采样管

      用不锈钢、硬质玻璃或聚四氟乙烯材质的管料,其头部塞有适当量的玻瑞棉(4.3)。

5.2.2 抽气泵

      密封隔膜泵或具有同等效果的其他泵。

5.2.3 采气袋

      铝泊复合薄膜气袋。

5.2.4 连接管

      硅橡胶管,口径与其连接部件相配。

5.2.5 弹簧夹。

5.2.6 除湿装置
      
一般情况下采用气体吸收瓶中填装玻璃棉,依靠烟气冷却凝结水份除湿;若烟气温度高,含湿量大,需采用冷凝器除湿。

6 样品采集和保存

6.1 采样位置和采样点

      按GB 16157-1996中9.1.1和9.1.2执行。

6.2 采样时间和频次

      按GB 16297-1996中8.2.1执行。

6.3 采样系统的连接

      按照不同的采样和测定方式,采用下面几种方式连接采样系统。

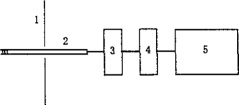
6.3.1 当排气筒口径<0. 4 m时,可将仪器探头直接插入排气筒采集样品和测定,见图1。

 

1

1. 排气筒;2. 探头;3. 抽气泵;4. 除湿装置;5. 测定仪器

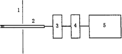
6.3.2 当排气筒口径较大 (>0.4m)时,应使用适当尺寸的采样管(5. 2.1)仍按图1所示连接装置。

6.3.3 当用采气袋集气后,带回实验室测定时,按图2所示连接采样装置。

 

图2

1. 采样管;2. 抽气泵;3. 气袋

6.4 样品采集

把采样管头部插入排气筒采样点位置,用排气筒中的气体清洗采样管2~3次,即可直接通入仪器进行测定(仪器自身带有抽气泵)。

如果使用铝泊复合薄膜袋采样,按图把待测气引入采气袋,用烟气清洗3次,然后采满气袋,用弹簧夹夹住入口。

      根据烟气温度和含湿量大小,选用不同的除湿装置(5.2.6)。

6.5 样品的保存


如需查看标准全部内容请免费下载标准,点击下方链接。
下载地址:《HJ/ 44-1999 固定污染源排气中一氧化碳的测定 非色散红外吸收法》
电话: 076982652668
广东华科检测技术服务有限公司 版权所有