首页 返回 新闻科普

HJ 667-2013 水质 总氮的测定 连续流动-盐酸萘乙二胺分光光度法

信息详细

HJ 667-2013 水质 总氮的测定 连续流动-盐酸萘乙二胺分光光度法

1 适用范围

      本标准规定了水中总氮的连续流动-盐酸萘乙二胺分光光度法。

      本标准适用于地表水、地下水、生活污水和工业废水中总氮的测定。

      当检测光程为30 mm时,本方法的检出限为0.04 mg/L(以N计),测定范围为0.16 mg/L~10 mg/L。

2 规范性引用文件

本标准内容引用了下列文件中的条款。凡是不注日期的引用文件,其有效版本适用于本标准。

HJ/T 91 地表水和污水监测技术规范

HJ/T 164 地下水环境监测技术规范

3 方法原理

3.1 连续流动分析仪工作原理

试样与试剂在蠕动泵的推动下进入化学反应模块,在密闭的管路中连续流动,被气泡铵一定间隔规律地隔开,并铵特定的顺序和比例混合、反应,显色完全后进入流动检测池进行光度检测。

3.2 化学反应原理

在碱性介质中,试料中的含氮化合物在107℃-410℃、紫外线照射下,被过硫酸盐氧化为硝酸盐后,经镉柱还原为亚硝酸盐。在酸性介质中,亚硝酸盐与磺胺进行重氮化反应然后与盐酸萘乙二胺偶联生成紫红色化合物,于波长540nm处测量吸光度。

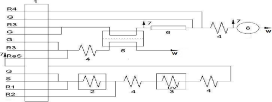
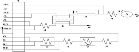
      参考工作流程图,见图1。

 

      1 蠕动泵 2 加热池107℃-110℃  3 紫外消解装置 4 混合反应圈 5 透析器(单元)6 福柱 7 除气泡 8 流动检测池30mm 540nm R1过硫酸钾溶液(5.15) 0.32ml/min  R2四硼酸钠缓冲溶液(5.16)  0.42ml/min R3氯化铵缓冲溶液(5.18) 0.80ml/min 1.40ml/min   R4显色试剂(5. 19)  0.23ml/min S 试样1.00ml/min ReS 二次进样0. 32ml/min     G空气    W废液

​图1 连续流动-盐酸萘乙二胺分光光度法测定总氮参考工作流程图

 

更多标准内容点击以下链接获取标准全文:

下载地址:《HJ 667-2013 水质 总氮的测定 连续流动-盐酸萘乙二胺分光光度法

电话: 076982652668
广东华科检测技术服务有限公司 版权所有