首页 返回 新闻科普

HJ 2526-2012 环境保护产品技术要求 便携式饮食油烟检测仪

信息详细

HJ 2526-2012 环境保护产品技术要求 便携式饮食油烟检测仪

1 适用范围

本标准规定了便携式饮食油烟检测仪(以下简称仪器)的定义、技术要求、检验方法、检验规则、标志、包装、运输、贮存等内容。

      本标准适用于采用荷电量检测原理测试饮食油烟排放浓度的仪器。

2 规范性引用文件

      本标准内容引用了下列文件中的条款。凡是不注日期的引用文件,其有效版本适用于本标准。 

      GB/T 191 包装贮运图示标志

      GB 6388 运输包装收发货标志

      GB/T 13306 标牌

      GB/T 15464 仪器仪表包装通用技术条件

      GB/T 16157-1996 固定污染源排气中颗粒物测定与气态污染物采样方法

      GB 18483-2001 饮食业油烟排放标准(试行)

      HJ/T 212 污染源在线自动监控(监测)系统数据传输标准

3 术语和定义

      下列术语和定义适用于本标准

3.1 饮食油烟

      指食物烹饪、加工过程中挥发的油脂、有机质及其加热分解或裂解产物。

3.2 便携式油烟检测仪

指便于携带的,可在现场直读油烟浓度数据和相关参数的检测仪器。由取样单元,检测单元和数据处理单元等部分组成。

3.3 荷电量检测原理

油烟气溶胶粒子通过高压电场时被荷电,在电场力和流动气流的作用下,被推向电荷收集网, 在与收集网连接的电路内产生电信号,该信号的变化与排出油烟的浓度呈比例关系,检测信号经过处理和换算即可得到油烟浓度。

3.4 标准状态

      指温度为273K,压力为 101.325kPa 时的状态。

4 基本要求

4.1 外观

4.1.1 仪器的面板和机箱等结构件应符合设计文件要求,产品表面不应有明显凹痕、划伤、裂缝、变形和污染,镀涂件应无明显划痕、脱落、锈蚀及机械损伤。本产品的零部件应紧固无松动, 键盘、开关、按钮和接插件应安装正确、操作灵活、接插可靠、无障碍。

4.1.2 在正常运行状态下,可长期平稳工作,无影响人身安全的因素。

4.1.3 各部件不易产生机械和电路故障,整个装置应无安全隐患。

4.1.4 仪器各部件的发热结合部分,应不因受热而发生变形及性能的改变。

4.1.5 仪器及可拆卸部件应便于维护和检查作业。

4.2 仪器构造及功能

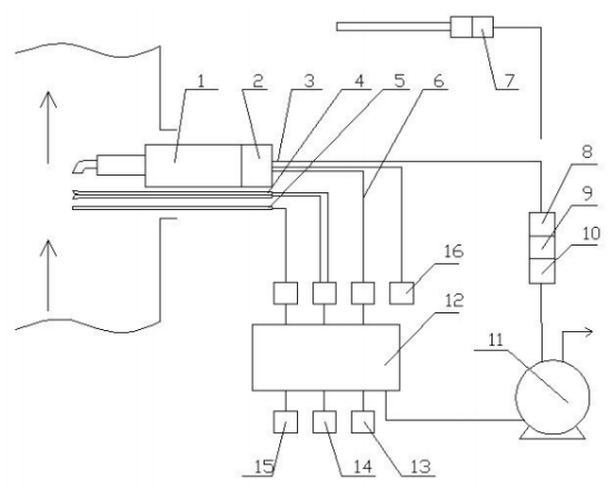
1.荷电区 2.信号捕集网 3.取样管 4.皮托管(S 型) 5.烟温传感器 6.信号输出线 7.含湿量测试管 8.流量计前温度传感器 9.流量计前压力传感器 10.流量传感器 11.抽气泵 12.单片机控制系统 13.操作键 14.打印机 15.显示屏 16.高压模块

 1 检测仪结构示意图

4.2.1 仪器主要由取样单元、检测单元、数据处理单元等三部分组成。

4.2.2 取样单元

取样单元由取样管、加热单元、连接软管、流量传感器和风机(泵)等部件组成,用于收集待检油烟样品。加热单元应有足够的加热功率,加热温度范围应控制在120℃~160℃之间。取样管材料应选用耐高温、耐腐蚀、不吸收亦不与待测污染物起化学反应的材料,并可在一定温度和流速下保持足够的机械强度。

4.2.3 检测单元

检测单元是将油烟浓度转换为电信号的传感组合件,由高压静电发生器、荷电管和信号捕集网组成。

a) 高压模块应能提供使油烟流经荷电管时充分荷电所需的直流高电压。

b) 荷电管应能使取样单元收集的油烟气溶胶粒子带电。

c) 信号捕集网应能使带电油烟气溶胶粒子释放电荷,并应安装方便,便于清洗、更换。

4.2.4 数据处理单元

数据处理单元由信号检测、放大,模-数转换,数据处理和显示器等部分组成,可将检测单元获得的电信号转换成油烟浓度,并可在检测过程中直接正确显示于显示器上,检测结束后自动统计并显示浓度的平均值。

 

更多标准内容点击以下链接获取标准全文:

下载地址:《HJ 2526-2012 环境保护产品技术要求 便携式饮食油烟检测仪


电话: 076982652668
广东华科检测技术服务有限公司 版权所有