首页 返回 新闻科普

GB/T 12703.2-2009 纺织品 静电性能的评定 第2部分:电荷面密度

信息详细

GB/T 12703.2-2009 纺织品 静电性能的评定 第2部分:电荷面密度

1 范围

      GB/T 12703的本部分规定了纺织织物电荷面密度的测试方法及静电性能的评价。
      本部分适用于各类纺织织物。

      本部分不适用于铺地织物。

2 规范性引用文件

下列文件中的条款通过GB/T 12703的本部分的引用而成为本部分的条款。凡是注日期的引用文件,其随后所有的修改单(不包括勘误的内容)或修订版均不适用于本部分,然而,鼓励根据本部分达成协议的各方研究是否可使用这些文件的最新版本。凡是不注日期的引用文件,其最新版本适用于本部分。

      GB/T 8629-2001 纺织品 试验用家庭洗涤和干燥程序(eqv ISO 6330:2000)

3 术语和定义

      下列术语和定义适用于GB/T 12703的本部分。

3.1

      电荷面密度 electric charge density

      样品每单位面积上所带的电量,以μC/m2为单位。

4 原理

      将经过摩擦装置摩擦后的试样投入法拉第筒,以测量试样的电荷面密度。

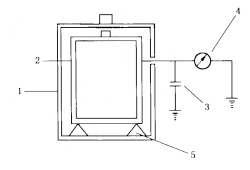
5 装置与用具

5.1 测试用法拉第筒系统

见图1。外筒直径50 cm-70 cm,高85 cm-100 cm,内筒直径40cm-60 cm,高75 cm-95 cm,电容器的泄漏电阻1×1012Ω以上,电容值应与静电电压表量程相匹配,绝缘支架的绝缘电阻应在1×1012Ω以上。系统电容可用精密万用电桥或其他电容测量仪测量。

 

 

更多标准内容点击以下链接获取标准全文:

下载地址:《GB/T 12703.2-2009 纺织品 静电性能的评定 第2部分:电荷面密度 

电话: 076982652668
广东华科检测技术服务有限公司 版权所有